Introduction to Stop Valve
A stop valve is used to stop the flow of liquid or gas in the system. It is usually installed at the pipeline’s end or the piping section. It mainly uses a residential plumbing system to close the water supply to fixtures like toilets or sinks. The stop valve is also applicable in commercial and industrial applications to shut off the flow of gases and liquids in the pipeline.
Stop valves are used to stop the flow of liquids or gases, and plugs are put into their openings. Typically, rubber or another soft substance is used to make the plug. Gate valves and stop valves differ primarily in their structure. Stop valves have a pin inserted into the opening, whereas gate valves have a gate that opens and closes.
Stop Valve Working
A stop valve can be operated automatically and manually. A manual stop valve has a screw handle to pause and permit the liquid to flow through the line, the most commonly used valve in plumbing applications. These valves are between the fixture and the piping, which stub out from the walls or ground surface. Stop valves allow routine support, for instance, channel change and drain cleaning, override the entire device or machine, or make minor fixes, such as changing gaskets or water supply connectors.
What is the Design of the Stop Valve?
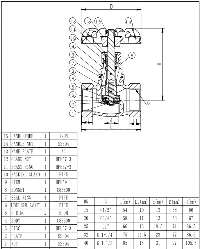
The stop valve is planned to be used in the modern refrigeration framework. It comprises three significant parts: valve cone, spindle, and packing glands. Here is a brief explanation of each element:
Valve Cone:
The valve cone can be rotated on the axle. This way, there will be no erosion between the cone and the seat when the valve is opened and closed, and the great plan will keep a strategic distance from the cone turn due to vibration and throb when the valve is in the vacant position.
Spindle:
The spindle is built of polished stainless steel. Yet, it is ideal for leak sealing.
Packing gland:
It is a low-temperature packing gland that ensures an ideal tightness in the range—60/+150°C (—76/+302°F). The packing gland is fitted with a scraper ring to prevent ice and dirt from entering the stop valve’s packing gland.
How to Manufacture the Brass Stop Valve in The Industry?
The following is a vital step in manufacturing the brass stop valve. Let’s dive into;
Step 1
Material Selection: Select a good brass material to manufacture the stop valve.
Step 2
Testing of material: Make strict testing on your brass stop valve material. After testing the material, cut it into suitable parts.
Step 3
Forging Process: The forging process ensures the proper shape meets customer requirements.
Step 3
Sand Blasting: This step ensures the surface of the brass stop valve is smooth and clean.
Step 4
CNC Machining: CNC machining is crucial while manufacturing the brass stop valve. This process ensures all the details are based on the customer’s demand.
Step 5
Brass Plating: Different platings are made according to the requirements. This plating involves the plating material, color, testing standard, and thickness.
Step 6
Brass Valve Assembly: Assemble your brass stop valve from different parts. Seal the final valves after this step.
Step 7
Testing of Water Pressure: Make 100% testing of each brass stop valve before packing and shipping.
Specification of Brass Stop Valve:
| Size | DN |
| ½ inch | 15 |
| ¾ inch | 20 |
| 1 inch | 25 |
| 1 ¼ inch | 32 |
| 2 inch | 50 |
What is the Application of a Stop Valve?
A stop valve has a vital role in the plumbing industry. Here are some critical applications of stop valves:
- Dishwashing machine
- Household water supply taps
- Washing machines
- Apply to the garden water supply and control.
- Bathrooms, as well as the primary water supply control
How to Select the Stop Valve?
Depending on the application, there are many kinds of stop valves. Yet, selecting a suitable stop valve is not a simple task. Various aspects must be considered when choosing a particular working and service stop valve. The most critical parameters that need to be considered are:
Functionality: Stop valves are better suited for applications where accuracy is vital. This is because they can be gradually opened or shut, allowing more control over the stream rate.
In this way, while selecting the stop valve, one should consider the volume of liquid that should be controlled, the accuracy required, and the properties of the fluid. If necessary, a stop valve might be a good choice, a valve that can be opened and shut rapidly.
Maintenance: When picking a stop valve, it is vital to consider its maintenance necessities. Stop valves require less maintenance than other valves, like gate valves, as they have fewer moving parts.
Installation: It is fundamental to consider the ease of installation. Stop valves are regularly easier to install, particularly in tight spaces.
Pressure: Pressure is fundamental for two primary reasons. First, it influences how much power is needed to work the valve. A higher strain requires more force, while a lower pressure requires less power. Second, pressure disturbs the seal on the valve. Higher pressure will generally result in a tighter seal, while a lower strain can cause a leak in the seal.
While picking the stop valve, consider the framework’s maximum working strain. The maximum working strain is the highest pressure the framework can securely handle. If the maximum working pressure is surpassed, there is a chance of harm to the framework or injuries to individuals utilizing it. Stop valves can be used for both high- and low-pressure applications.
What Is the Direction of Flow in The Stop Valve?
The flow direction of the stop valve is the same in both directions. The installation of the inlet and outlet is not required. The medium can move in both directions. The arrow’s movement on the valve body should direct the stop valve. The movement of the stop valve outlet and inlet is well-defined.
Benefits of A Stop Valve
include dependable operation and top-notch goods. The following benefits pertain to stop valves.
- It is a high-quality product that is quite affordable.
- They are straightforward to maintain and repair.
- A stop valve is a highly effective solution that doesn’t need to be lubricated.
- An application that is simple to use and manage
The Function of the Stop Valve
The stop valves are utilized to stop the plumbing fixture’s hot or cold water stream. A stop valve is a framework intended to prevent the fluid stream from flowing through a line. It is utilized in significant machinery or a human workstation. There are numerous everyday applications wherein we will use stop valves like a spigot and an icemaker.
The Life Span of Stop Valves
The life span of the stop valve depends on the quality of the material used to manufacture it. The life expectancy of most residential stop valves is around 10 to 15 years. Thus, if you’re buying a home that is 10 or 15 years old, maintenance may be required during its operation. But it must be replaced if it continuously creates a leakage. The replacement must avoid the cost of regular maintenance.
What Is the Difference Between a Brass Stop Valve and A Gate Valve?
The main objective of the brass stop valve is stream regulation. Yet, the gate valve applies to closing fluid. The gate valve’s fluid-controlling capability is poor. Yet, there is no gate valve to build a pressure drop in the pipeline. The stop brass valve opens faster than the gate valve. Yet, the brass stop valve is more compact than the gate valve.
Like gate valves, stop valves take more time to work and are more prone to seeping. If you have a seeping stop valve, you can mostly stop the leak by employing a wrench to screw the nut directly below the handle—lefty loosey, fitting tightly.


